Описание
Мотор-редуктор номинальным рабочим напряжением 12 Вольта, скоростью вращения 7 об/мин. Не имеет пластиковых деталей таких как: болты, шестеренки, вал-шестерни и т.п. С данным двигателем можно использовать это крепление.
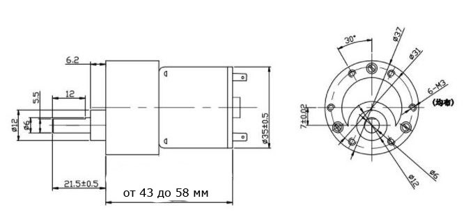
Характеристики: см.фото
Размер: Внимание длина мотора с редуктором меняется в зависимости от: выбранных хар-к мотор-редуктора,партии. См.фото;
Вес около: 180 гр
Производитель ” RoboBox “ Китай
