Описание
9imod BLS-HV30KG — это мощный цифровой бесщёточный сервопривод с водонепроницаемым корпусом. Поддерживается высокое рабочее напряжение до 8,4 В.
Основные характеристики:
- Цвет: чёрный.
- Рабочее напряжение: 6.0-8,4 В.
- Материал шестерней: металл.
- Материал корпуса: алюминиевый сплав AL6061 + нейлоновая добавка.
- Тип двигателя: бесщёточный.
- Управление: цифровое (ШИМ).
- Постоянный крутящий момент:
- 25 кг-см при 6.0 В;
- 30 кг-см при 7,4 В;
- 33 кг-см при 8,4 В.
- Скорость:
- 0,09 сек/60° при 6.0 В;
- 0,075 сек/60° при 7,4 В;
- 0,07 сек/60° при 8,4 В.
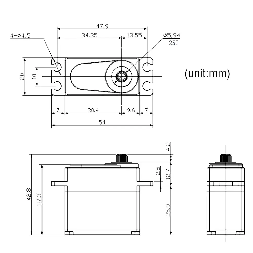
- Размеры: 40×20×37,3 мм.
- Вес: 69,2 г.
- Шарикоподшипник: 2BB.
- Длина провода: 300 мм JR.
Подходит для радиоуправляемых моделей, роботов или DIY-проектов.
Аналогичные товары
