Описание
Описание
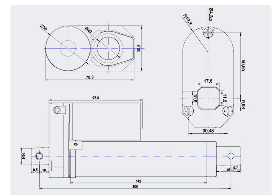
Мощный электропривод - линейный актуатор для создания проектов с дистанционным управлением. Принцип его действия - усилие от вращения электромотора передается в поступательное движение штока - толкателя. Область применения - домашняя автоматика, робототехника.
Технические характеристики:
- рабочий цикл: 2 мин. ON | 8 мин. OFF (20%);
- напряжения питания - 12 Вольт (20W);
- скорость движения штока - 65 мм/сек;
- выход штока 200 мм;
- общая длина актуатора в сложенном состоянии (между верхним и нижним отверстием) - 300 мм;
- создаваемое усилие - 150N/15кг.
- размеры - см.фото
- рабочая температура от - 15℃ до 45℃ (для работы в более низких температурах, требуется произвести самостоятельную смазку редуктора, материалами обеспечивающими работу механизмов при низких температурах)
Под заказ производим актуаторы с любыми характеристиками.
Смотреть видео работы по скоростям на Яндекс Диск.
- напряжения питания - 12 Вольт (20W);
- скорость движения штока - 65 мм/сек;
- выход штока 200 мм;
- общая длина актуатора в сложенном состоянии (между верхним и нижним отверстием) - 300 мм;
- создаваемое усилие - 150N/15кг.
- размеры - см.фото
- рабочая температура от - 15℃ до 45℃ (для работы в более низких температурах, требуется произвести самостоятельную смазку редуктора, материалами обеспечивающими работу механизмов при низких температурах)
Под заказ производим актуаторы с любыми характеристиками.
Смотреть видео работы по скоростям на Яндекс Диск.
